当前位置:
首页
>
新闻动态
>
通知公告
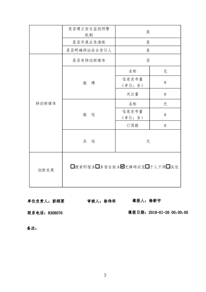
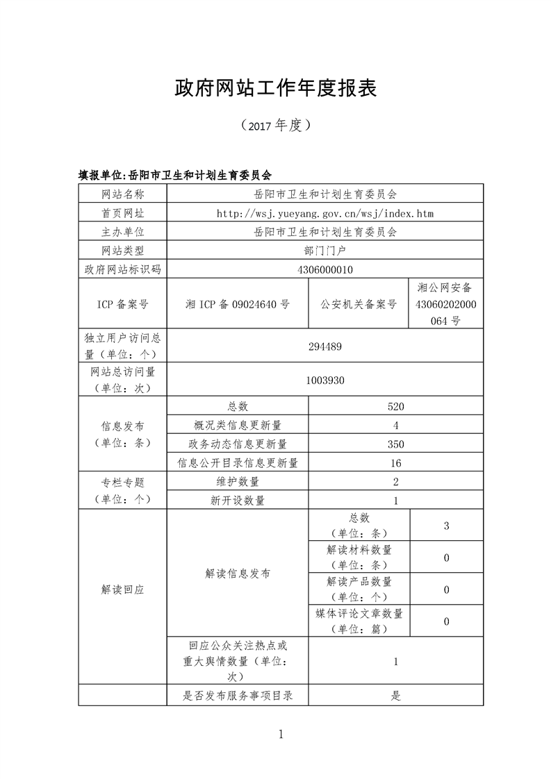
岳阳市卫生和计划生育委员会网站工作2017年度报表
来源:市卫生计生委
2018-01-30 13:58
浏览量:
1
|
|
|
|